Documentation Technique
Breadcrumbs

Manuel d'installation Nice ERA STAR MA (VR) | MS21


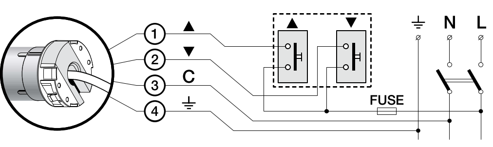
Raccordement moteur:


image-20240325-101807.png
image-20240325-101840.png

Réglage Fins de course

Fin de course bas

Il est obligatoire de commencer par ce fin de course

 

Etape

Télécommande

Réponse

Commentaire

 

1

Presser la touche de [DES] jusqu’à ce que le moteur atteigne la position désirée pour le fin de course

🔽

 

29a9206f-231b-4ec0-848a-60577854236b.png

2

« 1 » relâcher la touche [DES]

 

 

 

3

Presser simultanément les deux touches de [MON] et [DES]

🔼 + 🔽

 

Le store effectue deux mouvements.

2d009301-95ea-4759-8353-809f69e20742.png

Ne pas relâcher sans avoir eu les deux mouvements


Fin de course haut

 

Etape

Télécommande

Réponse

Commentaire

1

Presser la touche de [MON] jusqu’à ce que le volet roulant arrive à mi-course.

🔼

 

image-20240325-103957.png

2

Presser la touche de [MON] jusqu’à ce que le moteur atteigne la position désirée pour le fin de course « 0 » puis relâcher la touche.

🔼

 

image-20240325-104023.png

3

Presser simultanément les deux touches [MON] et [DES] et attendre que le moteur effectue deux mouvements

🔼 + 🔽

 

Le moteur effectue deux mouvements

Ne pas relâcher sans avoir eu les deux mouvements

 

4

Relâcher les touches

 

 

Mémorisation des deux fins de course terminée


Effacement total de la mémoire

La présente procédure efface toutes les données présentes dans la mémoire du moteur, y compris les positions « 0 » et « 1 »


Etape

Télécommande

Réponse

 

1

Presser simultanément les deux touches de [MON] et [DES]

🔼 + 🔽

Le volet roulant effectue un mouvement bref

1-1

Relâcher seulement la touche [DES]

 

 

2

Dans les 3 secondes qui suivent l’exécution du mouvement, presser 3 fois la touche de [DES]

3 x 🔽

 

Le store effectue deux mouvements.

3

Relâcher la touche [MON]

 

 


image-20240325-104656.png