Manuel d'installation Nice ERA STAR MA (VR) | MS21
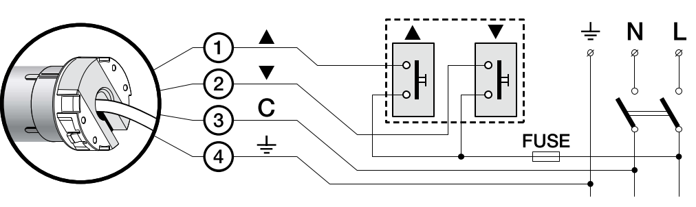
Raccordement moteur:


Réglage Fins de course
Fin de course bas
Il est obligatoire de commencer par ce fin de course
| Etape | Télécommande | Réponse | Commentaire |
|---|---|---|---|---|
1 | Presser la touche de [DES] jusqu’à ce que le moteur atteigne la position désirée pour le fin de course | 🔽 |
| ![]() |
2 | « 1 » relâcher la touche [DES] |
|
|
|
3 | Presser simultanément les deux touches de [MON] et [DES] | 🔼 + 🔽
| Le store effectue deux mouvements. | ![]() |
Ne pas relâcher sans avoir eu les deux mouvements
Fin de course haut
| Etape | Télécommande | Réponse | Commentaire |
|---|---|---|---|---|
1 | Presser la touche de [MON] jusqu’à ce que le volet roulant arrive à mi-course. | 🔼 |
| ![]() |
2 | Presser la touche de [MON] jusqu’à ce que le moteur atteigne la position désirée pour le fin de course « 0 » puis relâcher la touche. | 🔼 |
| ![]() |
3 | Presser simultanément les deux touches [MON] et [DES] et attendre que le moteur effectue deux mouvements | 🔼 + 🔽
| Le moteur effectue deux mouvements |
Ne pas relâcher sans avoir eu les deux mouvements
|
4 | Relâcher les touches |
|
| Mémorisation des deux fins de course terminée |
Effacement total de la mémoire
La présente procédure efface toutes les données présentes dans la mémoire du moteur, y compris les positions « 0 » et « 1 »
Etape | Télécommande | Réponse | |
|---|---|---|---|
1 | Presser simultanément les deux touches de [MON] et [DES] | 🔼 + 🔽 | Le volet roulant effectue un mouvement bref |
1-1 | Relâcher seulement la touche [DES] |
|
|
2 | Dans les 3 secondes qui suivent l’exécution du mouvement, presser 3 fois la touche de [DES] | 3 x 🔽
| Le store effectue deux mouvements. |
3 | Relâcher la touche [MON] |
|
|




